Wellcome to JYDCOOL
-
-
5th Floor, Building B, No. 73, Saelkang Avenue, Xinqiao Sub-district, Bao'an District, Shenzhen City
Wellcome to JYDCOOL
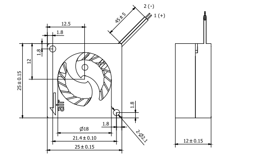
The RFB2512 miniature fan has outstanding advantages. The size is only 25 x 25 x 12mm, compact and portable, easily adapted to small spaces. Adopting high quality materials, stable operation and long life.
Phone : 13510860463
Email : zeng@jydcool.com
Facebook : facebookfacebook
Whatsapp : whatsappwhatsapp
Brushless motor technology, bring strong wind power, heat dissipation and high efficiency, and low noise, can quietly escort the equipment, widely used in various types of small electronic equipment.
Product model
20*20*12mm
Product size


Product characteristics
Compact and lightweight: small volume, light weight, space-saving.
Highly efficient heat dissipation: optimized air duct design, rapid cooling.
Low noise operation: silent technology, reduce interference.
Long-life bearings: wear-resistant design, prolonging service life.
Wide voltage compatibility: Adapt to a variety of power supply environment.
Easy to install: a variety of fixing methods, flexible adaptation to the equipment.
Energy saving and environmental protection: low power consumption, in line with green standards.
Yes, the installation direction of a cooling fan significantly affects its cooling performance. Typically, a fan can be installed on the intake or exhaust side of a heat sink. When installed on the intake side,...more
The lifespan of a cooling fan is typically determined by the type of bearing, operating environment, and maintenance. Common bearing types include ball bearings and sleeve bearings. Ball bearings have a longer ...more
The design and performance optimization of high - efficiency blowers involve several key aspects, including impeller design, motor selection, aerodynamic optimization, and control system design. Here is a detai...more